多維力綜合測試系統
產品特點
    多維力傳感器廣泛應用于機器人手指、 手爪研究;機器人外科手術研究;指力研究, 牙齒研 究;力反饋;剎車檢測;精密裝配、 切削;復原研究;整形外科研究;產品測試;觸覺反饋;示教學習。 行業覆蓋了機器人、 汽車制造、 自動化流水線裝配生物力學、 航空航天、 輕紡工業等領域。
    本測試系統可自動對已標定(可矩陣法標定或公式法標定)的測力天平自動計算得到合力, 最多可支持9分量測力天平。
軟件主要功能
    1,可對測力天平進行配置, 最多支持9分量測力天平, 測力天平校準方法可選矩陣法或公式法。
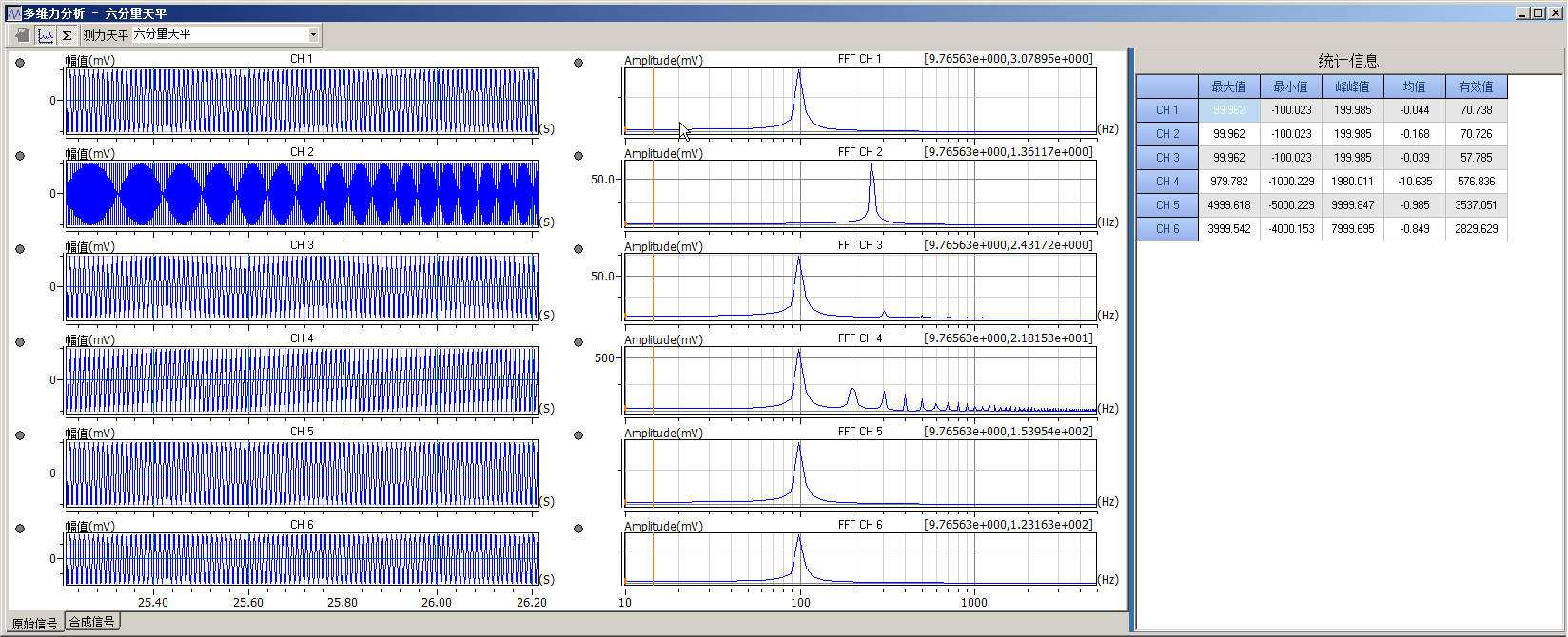
    2,可實時顯示原始信號及合成信號,并可實時顯示原始信號和合成信號的頻譜圖及統計信息:最大最小值、 峰峰值、 均值、 有效值。
3,可把合成信號導出為文本格式、 MATLAB格式、 UFF58格式、 WAV聲音格式。


 
        